3.4.1 IG541混合氣體滅火系統的滅火設計濃度不應小于滅火濃度的1.3倍,惰化設計濃度不應小于惰化濃度的1.1倍。
3.4.2 固體表面火災的滅火濃度為28.1%,其他滅火濃度可按本規范附錄A中表A-3的規定取值,惰化濃度可按本規范附錄A中表A-4的規定取值。本規范附錄A中未列出的,應經試驗確定。
3.4.3 當IG541混合氣體滅火劑噴放至設計用量的95%時,其噴放時間不應大于60s,且不應小于48s。
3.4.4 滅火浸漬時間應符合下列規定:
1 木材、紙張、織物等固體表面火災,宜采用20min;
2 通訊機房、電子計算機房內的電氣設備火災,宜采用10min;
3 其它固體表面火災,宜采用10min。
3.4.5 儲存容器充裝量應符合下列規定:
1 一級充壓(15.0MPa)系統,充裝量應為211.15kg/m³;
2 二級充壓(20.0MPa)系統,充裝量應為281.06kg/m³。
3.4.6 防護區的泄壓口面積,宜按下式計算:

式中 Fx——泄壓口面積(m²);
Qx——滅火劑在防護區的平均噴放速率(kg/s);
Pf——圍護結構承受內壓的允許壓強(Pa)。
3.4.7 滅火設計用量或惰化設計用量和系統滅火劑儲存量,應符合下列規定:
1 防護區滅火設計用量或惰化設計用量應按下式計算:

式中 W——滅火設計用量或惰化設計用量(kg);
C1——滅火設計濃度或惰化設計濃度(%);
V——防護區的凈容積(m³);
S——滅火劑氣體在101kPa大氣壓和防護區最低環境溫度下的質量體積(m³/kg);
K——海拔高度修正系數,可按本規范附錄B的規定取值。
2 滅火劑氣體在101kPa大氣壓和防護區最低環境溫度下的質量體積,應按下式計算:

式中 T——防護區最低環境溫度(℃);
3 系統滅火劑儲存量,應為防護區滅火設計用量及系統滅火劑剩余量之和,系統滅火劑剩余量應按下式計算:

式中 Ws——系統滅火劑剩余量(kg);
Vo——系統全部儲存容器的總容積(m³);
Vp——管網的管道內容積(m³)。
3.4.8 管網計算應符合下列規定:
1 管道流量宜采用平均設計流量。
主干管、支管的平均設計流量,應按下列公式計算:

式中 Qw——主干管平均設計流量(kg/s);
t——滅火劑設計噴放時間(s)。
Qg——支管平均設計流量(kg/s);
Ng——安裝在計算支管下游的噴頭數量(個);
Qc——單個噴頭的設計流量(kg/s)。
2 管道內徑宜按下式計算:

式中 D——管道內徑(mm);
Q——管道設計流量(kg/s);
3 滅火劑釋放時,管網應進行減壓。減壓裝置宜采用減壓孔板。減壓孔板宜設在系統的源頭或干管入口處。
4 減壓孔板前的壓力,應按下式計算:

式中 P1——減壓孔板前的壓力(MPa,絕對壓力);
Po——滅火劑儲存容器充壓壓力(MPa,絕對壓力);
Vo——系統全部儲存容器的總容積(m³);
V1——減壓孔板前管網管道容積(m³);
V2——減壓孔板后管網管道容積(m³)。
5 減壓孔板后的壓力,應按下式計算:

式中 P2——減壓孔板后的壓力(MPa,絕對壓力);
δ——落壓比(臨界落壓比:δ=0.52)。一級充壓(15MPa)的系統,可在δ=0.52~0.60中選用;二級充壓(20MPa)的系統,可在δ=0.52~0.55中選用。
6 減壓孔板孔口面積,宜按下式計算:

式中 Fk——減壓孔板孔口面積(cm²);
Qk——減壓孔板設計流量(kg/s);
μk——減壓孔板流量系數。
7 系統的阻力損失宜從減壓孔板后算起,并按下列公式計算,壓力系數和密度系數,應依據計算點壓力按本規范附錄E確定。

式中 Q——管道設計流量(kg/s);
L——管道計算長度(m);
D——管道內徑(mm);
Y1——計算管段始端壓力系數(10-1MPa·kg/m³);
Y2——計算管段末端壓力系數(10-1MPa·kg/m³);
Z1——計算管段始端密度系數;
Z2——計算管段末端密度系數。
3.4.9 IG541混合氣體滅火系統的噴頭工作壓力的計算結果,應符合下列規定:
1 一級充壓(15MPa)系統, Pc≥2.0(MPa,絕對壓力);
2 二級充壓(20MPa)系統, Pc≥2.1(MPa,絕對壓力)。
3.4.10 噴頭等效孔口面積,應按下式計算:

式中 FC——噴頭等效孔口面積(cm²);
qc——等效孔口單位面積噴射率[kg/(s·cm²)],可按本規范附錄F采用。
3.4.11 噴頭的實際孔口面積,應經試驗確定,噴頭規格應符合本規范附錄D的規定。
條文說明
3.4 IG541混合氣體滅火系統
3.4.6 泄壓口面積是該防護區采用的滅火劑噴放速率及防護區圍護結構承受內壓的允許壓強的函數。噴放速率小,允許壓強大,則泄壓口面積小;反之,則泄壓口面積大。泄壓口面積可通過計算得出。由于IG541滅火系統在噴放過程中,初始噴放壓力高于平均流量的噴放壓力約1倍,故推算結果是,初始噴放的峰值流量約是平均流量的2倍。因此,條文中的計算公式是按平均流量的√2倍求出的。
建筑物的內壓允許壓強,應由建筑結構設計給出。表4的數據供參考:
表4 建筑物的內壓允許壓強

3.4.8 管網計算
2 式(3.4.8-3)是根據1.1倍平均流量對應噴頭容許最小壓力下,以及釋放近95%設計用量,管網末端壓力接近于0.5MPa(表壓)時,它們的末端流速皆小于臨界流速而求得。
計算選用時,在選用范圍內,下游支管宜偏大選用;噴頭接管按噴頭接口尺寸選用。
4 式(3.4.8-4)是以釋放95%的設計用量的一半時的系統狀況,按絕熱過程求出。
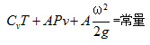
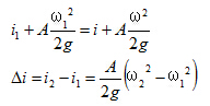
5 減壓孔板后的壓力,應首選臨界落壓比進行計算,當由此計算出的噴頭工作壓力未能滿足第3.4.9條的規定時,可改選落壓比,但應在本款規定范圍內選用。
6 式(3.4.8-6)是根據亞臨界壓差流量計算公式,即

Q式的推導,是設定IG541噴放的系統流程為絕熱過程,得

代入,得

相對于ω2 ,ω1 相當小,從而忽略項ω21,得

最終即可求出Q式。
以上各式中,符號的含義如下:
Q——減壓孔板氣體流量;
μ——減壓孔板流量系數;
F——減壓孔板孔口面積;
P1——氣體在減壓孔板前的絕對壓力;
P2——氣體在減壓孔板孔口處的絕對壓力;
g——重力加速度;
k——絕熱指數;
R——氣體常數;
T1——氣體初始絕對溫度;
T2——孔口處的氣體絕對溫度;
Cv——比定容熱容;
T——氣體絕對溫度;
A——功的熱當量;
P——氣體壓力;
v——氣體比熱容;
ω——氣體流速,角速度;
υ——氣體流速,線速度;
i1——減壓孔板前的氣體狀態焓;
i2——孔口處的氣體狀態焓;
ω1——氣體在減壓孔板前的流速;
ω2——氣體在孔口處的流速;
Cp——比定壓熱容;
減壓孔板可按圖5設計。其中,d為孔口直徑;D為孔口前管道內徑;d/D為0.25~0.55。
當 d/D≤0.35,μk=0.6;
0.35
0.45

圖5 減壓孔板
7 系統流程損失計算,采用了可壓縮流體絕熱流動計入摩擦損失為計算條件,建立管流的方程式:

最后推算出:

式中 ρ——氣體密度;
α——動能修正系數;
λ——沿程阻力系數;
dl——長度函數的微分;
dρ——壓力函數的微分;
dυ——速度函數的微分;
Y——壓力系數;
Z——密度系數;
L——管道計算長度;
由于該式中,壓力流量間是隱函數,不便求解,故將計算式改寫為條文中形式。
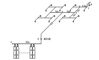
下面用實例介紹IG541混合氣體滅火系統設計計算:
某機房為20m*20m*3.5m,最低環境溫度20℃,將管網均衡布置。
系統圖中:減壓孔板前管道(a-b)長15m,減壓孔板后主管道(b-c)長75m,管道連接件當量長度9m;一級支管(c-d)長5m,管道連接件當量長度11.9m;二級支管(d-e)長5m,管道連接件當量長度6.3m;三級支管(e-f)長2.5m,管道連接件當量長度5.4m;末端支管(f-g)長2.6m,管道連接件當量長度7.1m。
1)確定滅火設計濃度
依據本規范,取C1=37.5%。
2)計算保護空間實際容積
V=20×20×3.5=1400(m³)。
3)計算滅火設計用量

圖6 系統管網計算圖
依據本規范公式(3.4.7-1),
,
其中,K=1,
S=0.6575+0.0024×20(℃)=0.7055(m³/kg),

4)設定噴放時間
依據本規范,取t=55s。
5)選定滅火劑儲存容器規格及儲存壓力級別
選用70升的15MPa存儲容器,根據W=932.68kg,充裝系數η=211.15kg/m³,儲瓶數n=(932.68/211.15)/0.07=63.1,取整后,n=64(只)。
6)計算管道平均設計流量
主干管:
一級支管:Qg1=Qw/2=8.055(kg/s);
二級支管:Qg2=Qg1/2=4.028(kg/s);
三級支管:Qg3= Qg2/2=2.014(kg/s);
末端支管:Qg4= Qg3/2=1.007(kg/s),即Qc=1.007kg/s。
7)選擇管網管道通徑
以管道平均設計流量,依據本規范,
初選管徑為:
主干管:125mm;
一級支管:80mm;
二級支管:65mm;
三級支管:50mm;
末端支管:40mm。
8)計算系統剩余量及其增加的儲瓶數量
V1=0.1178m³,V2=1.1287m³,VP=V1+V2=1.2465 m³;Vo=0.07×64=4.48m³;
依據本規范,Ws≥2.7Vo+2.0VP≥14.589(kg),
計入剩余量后的儲瓶數:
n1≥[(932.68+14.589)/211.15]/0.07≥64.089
取整后,n1=65(只)
9)計算減壓孔板前壓力。
依據本規范公式(3.4.8-4):

10)計算減壓孔板后壓力
依據本規范,P2=δ·P1=0.52×4.954=2.576(MPa)。
11)計算減壓孔板孔口面積
依據本規范公式(3.4.8-6):
;并初選μk=0.61,得出Fk=20.570(cm²),d=51.177(mm)。d/D=0.4094;說明μk選擇正確。
12)計算流程損失
根據P2=2.576(MPa),查本規范附錄E表E-1,得出b點Y=566.6,Z=0.5855;
依據本規范(3.4.8-7):
,代入各管段平均流量及計算長度(含沿程長度及管道連接件當量長度),并結合本規范附錄E表E-1,推算出:
c點Y=656.9,Z=0.5855;該點壓力值P=2.3317MPa;
d點Y=705.0,Z=0.6583;
e點Y=728.6,Z=0.6987;
f點Y=744.8,Z=0.7266;
g點Y=760.8,Z=0.7598。
13)計算噴頭等效孔口面積
因g點為噴頭入口處,根據其Y、Z值,查本規范附錄E表E-1,推算出該點壓力Pc=2.011MPa;查本規范附錄F表F-1,推算出噴頭等效單位面積噴射率qc= 0.4832kg/(s·cm²);
依據本規范,
查本規范附D,可選用規格代號為22的噴頭(16只)。
? ? ? ? 江蘇智淼氣體滅火有限公司是一家氣體滅火系統整合,氣體滅火設計,組裝,調試等專業的氣體滅火系統集成商,我們的產品分“有管網七氟丙烷氣體滅火系統”、“無管網七氟丙烷氣體滅火系統”我們與數多家氣體控制主機商深度合作,有利達氣體控制系統,海灣氣體控制盤,北大青鳥,泰和安等氣體滅火控制系統品牌,智淼君安自主氣體滅火控制柜,本公司專業從事七氟丙烷、氣溶膠、超細干粉、IG541氣體、 二氧化碳、泡沫等滅火系統的銷售、安裝及售后服務為一體的高科技民營企業。公司技術力量雄厚,擁有一支專業的工程設計和安裝技術服務隊伍,并建立了完善的質量保障和售后服務管理體系,江蘇氣體滅火管網:http://m.xinfei-hp.com/;氣體滅火服務熱線:4006-598-119






蘇公網安備32058102002161號